产品简介:AZC系列智能电力电容补偿装置由智能测控单元、投切开关、线路保护单元、低压电力电容器等构成,改变了传统无功补偿装置体积庞大和笨重的结构模式,是用于节省能源、降低线损、提高功率因数和电能质量的新一代无功补偿设备。
功能:
AZC系列智能电力电容补偿装置由智能测控单元、投切开关、线路保护单元、低压电力电容器等构成,改变了传统无功补偿装置体积庞大和笨重的结构模式,是用于节省能源、降低线损、提高功率因数和电能质量的新一代无功补偿设备。
应用范围:
应用于0.4kV、50Hz低压配电系统。
订货范例:
具体型号:AZC-SP1/450-10+10
技术要求:共补
通讯协议:无
辅助电源:无
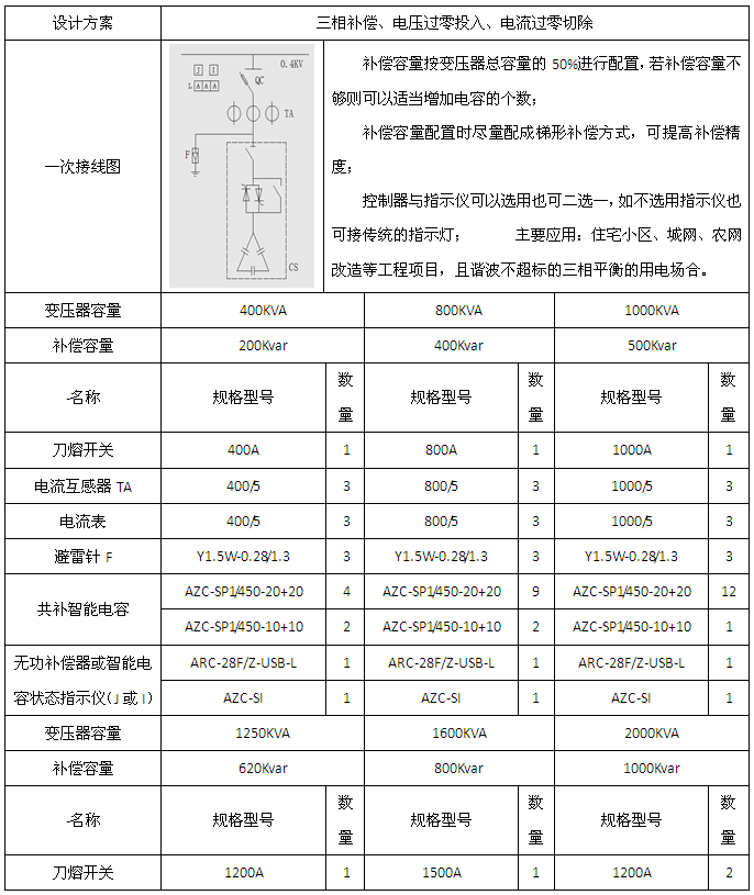
1、变压器容量为400/800/1000/1250/1600/2000KVA的三相补偿应用方案。
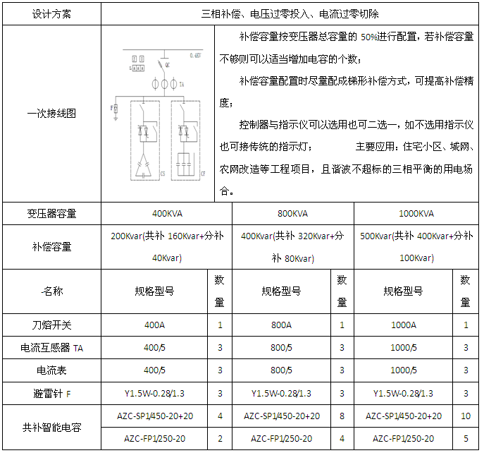
2、变压器容量为400/800/1000/1250/1600/2000KVA的单相、三相混合补偿应用方案。
外形尺寸
接线方式
不带终端的共补接线图
不带终端的混补接线图
带终端的共补接线图
带终端的混补接线图